Enamikus rakendustes on soovitatav kasutada 302 isekeermestavaid niidi inserte. Mõnedes materjalides pakuvad need täiuslikku spetsiifilist keermelukustuse efekti. Need pakuvad püsivaid kulumiskindlaid keermeid väga erinevates materjalides, alates sitkest kuni kraanini, ülitugevast terasest kuni rabeda plastini.
Keerme lõikamise toimingu teostavad vahetükil olevad lõikepilud. Oma keermega koputades kaob isekeermestav sisetükk eelnevalt vajalike aukude vajalikkusega.

Omadused:
Isekeermestamine - eelkeermestamist pole vaja
Väga kõrge väljatõmbekindlus
Ülimalt vastupidav vibratsioonile, talub vibratsiooni lahti laskmata
Toodab kvaliteetseid püsivaid kulumiskindlaid niite
Piiramatu niidi korduskasutus
Eelised:
Kaitseb kalleid komponente kahjustuste eest
Lihtne paigaldada, kasutada saab tavalisi kraane
Lai valik erinevaid stiile, mis sobivad peaaegu igaks otstarbeks
Rakendused:
Reisi- ja tarbesõidukid, mootorid, käigukastid, radiaatorid
Marine
Sõjalised rakendused - tankid, lennukid
Tehase ja seadmete ehitus
Kontoritehnika
Kodumasinad - tolmuimejad, kaamerad, päikesevalgustid
Rasked masinad
Materjal ja viimistlus:
- passiivne terasvaba teras 303
-Kastiga karastatud teras, tsingitud, kollane, kroomitud
-Rohu
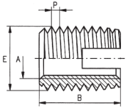
Tehnilised parameetrid :
302 MEERILISELT ISESE SAMMUTAMISEKS TEENI LÕPETAMINE | ||||||
302 isekeermestav lõikesega | Pikkus (mm) | Väline niit | Võrdlusava läbimõõt | Puuraugu minimaalne sügavus (mm) | ||
Plastid | Alumiiniumi sulam | Malmist tooted | ||||
M2,5-0,45 | 6 | M4,5-0,5 | 4.0-4.1 | 4,1-4,2 | 4,2-4,3 | 8 |
M3-0,5 | 6 | M5-0,5 | 4,5-4,6 | 4,6-4,7 | 4,7-4,8 | 8 |
M3,5-0,6 | 8 | M6-0,75 | 5,3-5,4 | 5,5-5,6 | 5,6-5,7 | 10 |
M4-0,7 | 8 | M6,5-0,75 | 5,8-5,9 | 6,0-6,1 | 6,1-6,2 | 10 |
M5-0,8 | 10 | M8-1,0 | 7,1-7,2 | 7,3-7,5 | 7,5-7,6 | 13 |
M6-1,0 | 12 | M9-1,0 | 8,1–8,2 | 8,3-8,5 | 8,5-8,6 | 15 |
M6-1,0 | 14 | M10-1,5 | 9,0-9,2 | 9,2-9,3 | 9,3-9,4 | 17 |
M8-1,25 | 15 | M12-1,5 | 10,6-10,8 | 11-11,2 | 11.2-11.4 | 18 |
M10-1,5 | 18 | M14-1,5 | 12,6-12,8 | 13,0-13,3 | 13,2-13,4 | 22 |
M12-1,75 | 22 | M16-1,5 | 14,6-14,8 | 15,0-15,3 | 15,2-15,4 | 26 |
M14-2,0 | 24 | M18-1,5 | 16,6-16,8 | 17,0-17,3 | 17,2-17,5 | 28 |
M16-2,0 | 22 | M20-1,5 | 18,6-18,8 | 19,0-19,3 | 19,2-19,5 | 27 |
FQA
1. küsimus: kas olete kaubandusettevõte või tootja?
A1: Oleme tootja alates 2004. aastast Hiinas Shen zhenis.
Q2: kas teil on laos esemeid?
A2: jah, enamus esemeid on laos lähetamiseks.
Q3: kui pikk on teie tarneaeg?
A3: üldjuhul on laoseisu puhul 1 päev, kohandatud toodete puhul 10–15 päeva või suur kogus üle 50000 tk.
Q4: kas saate esitada proove? kas see on tasuta või ekstra?
A4: Jah, me võiksime proovi pakkuda tasuta, kuid ei maksa veokulusid.
Q5. Aga maksetingimused?
A5: üldiselt enne saatmist või masstootmist 100% T / T ja me võime ka vastavalt teie nõudele nõu pidada.
Q6: Mis on teie eelis?
A6: konkurentsivõimelised hinnad, kiire tarnimine ja kõrge kvaliteet. vastutustundlikult orienteeritud töötajad range sallivus, sujuv viimistlus ja pikaealised töötulemused.
K7: Millised on teie mehaanilised seadmed?
A7: CNC-freespingid, CNC-treimismasinad, stantsimispingid, lihvimismasinad, treipingid, treipingid, lihvimismasinad, kruvimasinad, lõikemasinad ja nii edasi.
8. küsimus: kuidas tagada tööstusosade kvaliteet?
A8: Oleme juba 15 aastat olnud kinnitusdetailide alal täielike kogemustega. Ja kogu töötlemise käigus toimub 5 kontrolli, tööstuslike osade iga protsessi juhtimiseks on meil IQC (sissetuleva kvaliteedikontroll), IPQCS (protsessi kvaliteedikontrolli osas), FQC (lõplik kvaliteedikontroll) ja OQC (väljuv kvaliteedikontroll). tootmine.
Kuum tags: 302-meetrine isekeermestav keerme insert, tarnijad Hiina, tootjad, tehas, osta, laos, valmistatud Hiinas


